Full size image
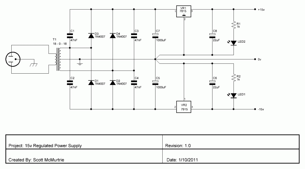
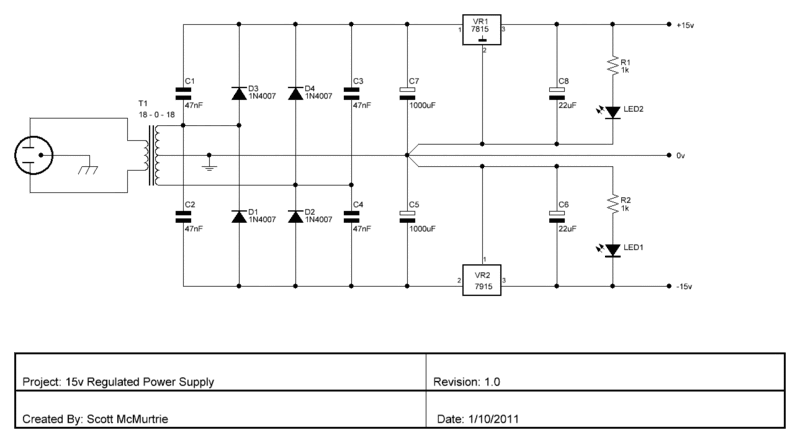
Component list
C1 = 47nF
C2 = 47nF
C3 = 47nF
C4 = 47nF
C5 = 1000uF
C6 = 22uF
C7 = 1000uF
C8 = 22uF
D1 = 1N4007
D2 = 1N4007
D3 = 1N4007
D4 = 1N4007
LED1
LED2
R1 = 1k
R2 = 1k
T1 = 18 - 0 - 18
VR1 = 7815
VR2 = 7915